Колонка газовая Ariston Fast 10L NG
Расскажите друзьям в социальной сети про этот товар, сообщите нам адрес своего !
- Доставка по Украине в любой населенный пункт службами "Новая Почта", "Укрпочта", "Міст Експрес" и др.
- Доставка по Львову – курьером
- Наличная при доставке курьером
- Наложенным платежом при получении заказа
- Безналичная для физических лиц через Банк
Описание Колонка газовая Ariston Fast 10L NG
Ariston Fast 10L NG - это современная газовая колонка, которая способна обеспечить бесперебойную подачу горячей воды в нужном количестве в любое время года. Малые габариты, надежная конструкция, простое управление и экономичность - это только маленькая часть преимуществ, данной газовой колонки.
Конструкция газовой колонки Ariston Fast 10L NG предельно проста. Горелка из нержавеющей стали предназначена для работы на природном газе. Теплообменник выполнен из меди для обеспечения эффективности и долговечности. Механический термостат позволяет избежать перегрева. Мощность увеличивается автоматически при увеличении расхода воды, что помогает поддерживать заданный уровень температуры в любом положении крана. Устройство готово обеспечить производительность до 10 литров в минуту, что более чем достаточно для бытовых нужд. Корпус газовой колонки оснащен смотровым окном для визуального контроля пламени и двумя механическими ручками, с помощью которых можно управлять мощностью горелки и регулировать скорость протока воды. Автоматический поджог мощной газовой горелки выполняется за счет использования двух сменных элементов питания.
Газовая колонка Ariston Fast 10L NG оборудована несколькими уровнями обеспечения безопасной работы. Датчик тяги отключит подачу газа, если дымоход не обеспечивает отток продуктов горения. Термостат обеспечивает защиту от перегрева. На горелке имеется датчик пламени, контролирующий работу горелки. Если пламя погаснет, то подача газа прекратится.
Особенности и преимущества
- Стабильная температура во время душа
- Постоянная горячая вода при низких давлениях
- Высококачественные компоненты
- Затухание пламени во время ожидания
- Современные технологии для полной безопасности
- Простая регулировка температуры
- Простая установка и без труда
- Простота обслуживания
Технические характеристики

Строение и основные компоненты

Габаритные размеры

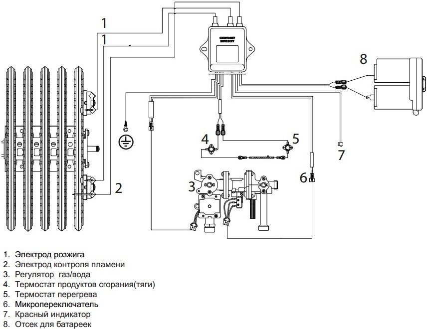
Электрическая схема

Характеристики Колонка газовая Ariston Fast 10L NG
Производительность л/мин | 10-11 л/мин |
|---|---|
Тип камеры сгорания | открытая |
Вид розжига | электророзжиг |
Номинальная тепловая мощность (кВт) | 20 кВт |
Минимальная тепловая мощность (кВт) | 8 кВт |
Габаритные размеры, мм | 550 х 328 х 216 мм |
Диаметр подключение теплой воды (дюйм) | 1/2 |
Диаметр подключение холодной воды (дюйм) | 1/2 |
Диаметр подключение газа (дюйм) | 1/2 |
Подключение к дымовой трубе (мм) | 110 мм |
Расход природного газа (100% мощности) м3/ч | 2.05 м³/ч |
Давление природного газа на входе в аппарат (мбар) | 13 мбар |
Страна бренда | Италия |
Производительность ГВС (ΔT=25°C) л/мин | 10 л/мин |
Минимальное давление воды на входе (бар) | 0.15 бар |
Максимальное допустимое давление воды (бар) | 10 бар |
Вес, кг | 10 кг |
-
Даша СтепноваРаботает отлично, сама могу разобраться что к чему, пока нет мужа!)) Очень просто все и надежно! Не могу не сказать о дизайне. Он хорош, кухня даже лучше с колонкой выглядит! Большое спасибо!
-
СВЯТ ХОРОШИЙ)КО ВСЕМ УЗЛАМ В КОЛОНКЕ МОЖНО ДОБРАТЬСЯ ЛЕГКО СПЕРЕДИ, ПРИ ЭТОМ ОНИ ВСЕ НАДЕЖНО ЗАКРЫТЫ. ЕСТЬ ОГРАНИЧИТЕЛЬ ТЕМПЕРАТУРЫ И ФУНКЦИЯ ОХЛАЖДЕНИЯ ПОСЛЕ ОТКЛЮЧЕНИЯ КОЛОНКИ. ПРИОБРЕТЕНИЕМ ДОВОЛЕН, СПАСИБО!
-
ПобедитеЛь89Имеется ограничитель температуры и функция охлаждения теплообменника при выключении колонки. С безопасностью все в порядке, есть контроль пламени, который обеспечивает мгновенное отключение газа при исчезновении пламени.
Производительность л/мин | 10-11 л/мин |
|---|---|
Тип камеры сгорания | открытая |
Вид розжига | электророзжиг |
Номинальная тепловая мощность (кВт) | 20 кВт |
Минимальная тепловая мощность (кВт) | 8 кВт |
Габаритные размеры, мм | 550 х 328 х 216 мм |
Диаметр подключение теплой воды (дюйм) | 1/2 |
Диаметр подключение холодной воды (дюйм) | 1/2 |
Диаметр подключение газа (дюйм) | 1/2 |
Подключение к дымовой трубе (мм) | 110 мм |
Расход природного газа (100% мощности) м3/ч | 2.05 м³/ч |
Давление природного газа на входе в аппарат (мбар) | 13 мбар |
Страна бренда | Италия |
Производительность ГВС (ΔT=25°C) л/мин | 10 л/мин |
Минимальное давление воды на входе (бар) | 0.15 бар |
Максимальное допустимое давление воды (бар) | 10 бар |
Вес, кг | 10 кг |
Отзывы о товаре Колонка газовая Ariston Fast 10L NG
-
Даша СтепноваРаботает отлично, сама могу разобраться что к чему, пока нет мужа!)) Очень просто все и надежно! Не могу не сказать о дизайне. Он хорош, кухня даже лучше с колонкой выглядит! Большое спасибо!
-
СВЯТ ХОРОШИЙ)КО ВСЕМ УЗЛАМ В КОЛОНКЕ МОЖНО ДОБРАТЬСЯ ЛЕГКО СПЕРЕДИ, ПРИ ЭТОМ ОНИ ВСЕ НАДЕЖНО ЗАКРЫТЫ. ЕСТЬ ОГРАНИЧИТЕЛЬ ТЕМПЕРАТУРЫ И ФУНКЦИЯ ОХЛАЖДЕНИЯ ПОСЛЕ ОТКЛЮЧЕНИЯ КОЛОНКИ. ПРИОБРЕТЕНИЕМ ДОВОЛЕН, СПАСИБО!
-
ПобедитеЛь89Имеется ограничитель температуры и функция охлаждения теплообменника при выключении колонки. С безопасностью все в порядке, есть контроль пламени, который обеспечивает мгновенное отключение газа при исчезновении пламени.
-
Володя СизыйДаже если как-то изменился напор воды в худшую сторону, газовая колонка все равно будет поддерживать горение не смотря ни на чтО! Горячую воду получаешь очень быстро и много! Спасибо!
-
Кормилец6879Максимальная надежность водяного блока достигается благодаря применению композитных материалов. Водяной узел достаточно тихий, мне вообще не мешает, я его даже не слышу! Доставочка радует, как и вы!
- Котлы газовые Ariston ,
- Колонки газовые Ariston ,
- Водонагреватели электрические (бойлеры) Ariston ,
- Водонагреватели косвенного нагрева Ariston ,
- Газовые бойлеры Ariston ,
- Проточные водонагреватели Ariston ,
- Запчасти для газовых котлов Ariston ,
- Коаксиальные дымоходы Ariston ,
- Запчасти для бойлеров Ariston

